Exercice
Exercice 01 : Calcul d'une résistance équivalente
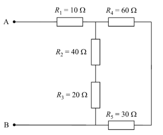
Déterminer la résistance équivalente Req du dipôle AB représenté sur les figures suivant :



Exercice 02 :Détermination de la puissance d'une résistance
Dans les circuits ci-dessous déterminer :
la résistance équivalente Req
l'intensité de courant I
la puissance de la résistance Req
Données : E=9V, R=100Ω







