Deuxième loi (loi des mailles)
En une maille d'un circuit électrique, la somme algébrique des produits de résistance par l'intensité du courant [4][1].
Quand on applique cette loi, on doit choisir un sens positif autour de la maille : toutes les forces électromotrices et les courants qui ont ce même sens seront comptés positivement, ceux qui sont de sens contraire seront comptés négativement. On considère le sens de e positif quand on entre, d'après le sens positif choisi, par le pôle négatif et qu'on sort par le pôle positif (ce qui entraîne une augmentation du potentiel) , et l'inverse dans le cas contraire.
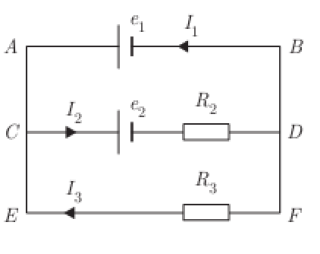
Exemple : Calcul de courants dans un réseau
On considère le circuit de la figure.
Déterminer les courants I1, I2, I3, respectivement dans les branches AB, CD,EF.

On se donne arbitrairement les sens de courant indiqués sur la figure.
Loi des nœuds en C : ![]()
Maille CDFEC : ![]()
Maille CDBAC : ![]()
La résolution de ce système :
![]()
![]()
![]()






